18. GX – automatyczne uruchamianie/zatrzymywanie generatora
18.1. Wstęp
Dzięki zintegrowaniu generatora prądu przemiennego lub stałego z urządzeniem GX dostępne stają się następujące funkcje:
Funkcje ogólne:
Automatyczne sterowanie generatorem: Automatyczne uruchamianie i zatrzymywanie generatora za pomocą funkcji „Automatyczne uruchamianie/zatrzymywanie generatora” w oparciu o różne stany systemu.
Ręczne sterowanie i planowanie: Ręczne uruchamianie i zatrzymywanie generatora z opcją zaplanowania pracy na określony czas.
Śledzenie serwisowania: Monitorowanie godzin pracy i odstępów między przeglądami.
Wydłużona żywotność agregatu prądotwórczego: Zintegrowane funkcje rozgrzewania i schładzania zapewniają odpowiednie smarowanie przed włączeniem odbiorników energii i zapobiegają nagłym wyłączeniom.
Dla podłączonych agregatów prądotwórczych:
Monitorowanie wydajności: Przegląd danych dotyczących produkcji prądu przemiennego lub stałego.
Śledzenie parametrów silnika: Monitorowanie ciśnienia, temperatury, obrotów, napięcia akumulatora rozruchowego i poziomu paliwa w zbiorniku.
Alarmy o błędach: Generowanie powiadomień o błędach systemu.
Obsługa DVCC: Wybrane generatory prądu stałego obsługują układ DVCC (rozproszonej kontroli napięcia i natężenia prądu, patrz rozdział DVCC - Rozproszona kontrola napięcia i natężenia prądu).
Monitorowanie i kontrola są dostępne nie tylko na samym urządzeniu GX, ale także za pośrednictwem portalu VRM i aplikacji Marine MFD HTML5. Więcej informacji podano w rozdziałach Portal VRM i Integracja morskich wyświetlaczy wielofunkcyjnych MFD za pomocą aplikacji.
Więcej ogólnych informacji na temat planowania instalacji Victron z generatorem znajduje się również w rozdziale Często zadawane pytania dotyczące generatora MultiPlus.
18.2. Sposób integracji
Istnieją dwa sposoby integracji:
Integracja z wykorzystaniem przekaźnika sterującego: Bezpotencjałowy przewodowy sygnał uruchomienia/zatrzymania przesyłany jest przez przekaźnik 1 urządzenia GX (patrz rozdział 17.2.7 dotyczący sygnału uruchomienia/zatrzymania sterowanego przekaźnikiem).
Integracja podłączonego generatora: Jeśli generator lub jego sterownik wskazano w poniższej tabeli, komunikacja cyfrowa jest obsługiwana do odczytu i sterowania za pośrednictwem VE.Can, Ethernet lub RS485 (za pomocą konwertera RS485-USB, np. interfejs Victron RS485-USB).
Obsługiwane sterowniki generatorów prądu przemiennego do integracji podłączonego agregatu prądotwórczego
Producent | Model | Rodzaj połączenia | Uwagi |
|---|---|---|---|
ComAp | InteliLite 4 AMF 25 InteliLite 4 AMF 20 InteliLite 4 AMF 9 InteliLite 4 AMF 8 InteliLite 4 MRS 16 | Ethernet | |
CRE Technology | Compact AMF Gensys Compact Prime Gensys Compact Mains | Ethernet | |
Deep Sea Electronics | DSE4620 | Ethernet lub RS485 | Dla sieci Ethernet: Patrz 1) Dla RS485: Patrz 2) i 3) |
DSE6120 | |||
DSE4510 MKII | |||
DSE4520 MKII | |||
DSE6110 MKII | |||
DSE6120 MKII | |||
DSE7310 MKII | Dla sieci Ethernet: Patrz 1) Dla RS485: Patrz 3) | ||
DSE 7410 MKII | Dla RS485: Patrz 4) | ||
DSE 7420 MKII | |||
DSE8610 MKII | |||
DSE8620 MKII | |||
DSE8660 MKII | |||
DEIF | Generator AGC 150 | Ethernet lub RS485 | Dla RS485: Patrz 4) |
AGC 150 Hybrid | |||
AGC 150 PMS Lite | |||
Fischer Panda | xControl | VE.Can | |
iGenerator | |||
fpControl | |||
1) Ten model nie jest wyposażony w moduł łączności Ethernet. Dlatego należy zastosować urządzenie komunikacyjne Deep Sea Electronics DSE855 USB-Ethernet lub inną bramkę DSE z obsługą Ethernet. 2) Ten model nie jest wyposażony w moduł łączności RS485. Dlatego należy zastosować urządzenie komunikacyjne Deep Sea Electronics DSE857 USB-RS485 lub inną bramkę DSE z obsługą RS485. 3) Wymagany jest izolowany konwerter USB-RS485 Hjelmslund Electronics USB485-STIXL (https://hjelmslund.eu/) 4) Ten model wyposażony jest we wbudowany izolowany port RS485; jednak wymagany jest interfejs Victron RS485-USB. | |||
Obsługiwane sterowniki generatora prądu stałego do integracji podłączonego generatora
Producent | Model | Rodzaj połączenia | Uwagi |
|---|---|---|---|
Fischer Panda | fpControl | VE.Can | |
Hatz | fiPMG | VE.Can | Obsługuje sterowanie napięciem DVCC |
Ważne
Urządzenie GX obsługuje tylko jeden podłączony sterownik agregatu prądotwórczego. Podczas integracji przez Ethernet należy sprawdzić, czy dla urządzenia GX dostępny jest tylko jeden sterownik agregatu prądotwórczego.
18.2.1. Sygnał start/stop sterowany przekaźnikiem
Większość generatorów obsługuje zewnętrzny sygnał start/stop, zwykle za pośrednictwem styku bezpotencjałowego. Zwarcie styku uruchamia generator, a jego otwarcie powoduje jego wyłączenie.
Niektóre generatory wymagają sygnałów impulsowych zamiast ciągłego połączenia. W takich przypadkach mogą być potrzebne dodatkowe przekaźniki czasowe (patrz poniżej). W każdym przypadku należy zapoznać się z treścią instrukcji obsługi generatora lub omówić to z dostawcą, który udzieli szczegółowych informacji na temat konfiguracji przewodu sygnału zdalnego uruchomienia.
W urządzeniu GX do sterowania generatorem należy użyć przekaźnika 1. Po podłączeniu wejścia generatora do przekaźnika 1 przejdź do Ustawienia → Integracje → Przekaźnik → Funkcja (nr przekaźnika) → Uruchomienie/ zatrzymanie agregatu prądotwórczego. Po ustawieniu przekaźnika 1 na „Uruchomienie/ zatrzymanie agregatu prądotwórczego” dostęp do powiązanych ustawień można uzyskać w Ustawieniach → Urządzenia → Agregat prądotwórczy. |
18.3. Menu uruchomienia/zatrzymania generatora
Ogólny przegląd funkcji uruchamiania/ zatrzymywania generatora można znaleźć w sekcji Ustawienia → Urządzenia → Agregat prądotwórczy. Z tej strony można skorzystać do monitorowania stanu generatora, wyświetlania statusu błędu, dostępu do czasu pracy i serwisowania oraz wprowadzania niezbędnych ustawień.
Poszczególne pozycje menu mają następujące funkcje:
| |
(*) Dotyczy tylko podłączonych agregatów prądotwórczych. (*2) Dotyczy tylko podłączonych agregatów prądu stałego. | |
18.4. Menu ustawień:
W menu Start/Stop generatora przewiń w dół i naciśnij Ustawienia, co spowoduje wyświetlenie menu Ustawienia.
|
18.4.1. Alarm, gdy funkcja automatycznego uruchomienia jest wyłączona
Po włączeniu tej opcji alarm uruchomi się, gdy funkcja automatycznego uruchomienia będzie wyłączona przez ponad 10 minut. Jest to szczególnie przydatne, gdy właśnie dokonano przeglądu serwisowego generatora, a serwisant zapomniał przełączyć generator z powrotem w tryb automatycznego uruchomienia. Dzięki tej funkcji zyskuje się pewność, że funkcja automatycznego uruchomienia nie pozostanie przypadkowo wyłączona. W przypadku agregatów prądotwórczych podłączonych cyfrowo, np. DSE, ComAp i Fischer Panda, obejmuje to sprawdzenie, czy na panelu agregatu włączono opcję Zdalne uruchamianie. Mogą zostać uruchomione dwa alarmy:
|
18.4.2. Menu czasu pracy i interwałów serwisowych
Każdy generator wymaga serwisowania po pewnym czasie. Zalecany interwał konserwacji zależy przede wszystkim od użytkowania i czasu pracy. To menu umożliwia ustawienie interwału serwisowego, uruchamiając licznik generujący ostrzeżenie, gdy zbliża się czas przeglądu konserwacyjnego. Szczegółowy opis pozycji menu:
|
18.4.3. Menu rozgrzewania i schładzania
Menu rozgrzewania i schładzania umożliwia skonfigurowanie czasu, w którym generator musi się rozgrzać lub schłodzić przed lub po pracy. Jest to kontrolowane za pomocą przekaźnika, gdy przekaźnik wejściowy AC jest otwarty, a falownik/ładowarka nie są podłączone.
Tego samego menu używa się również w przypadku agregatów prądotwórczych podłączonych cyfrowo (np. poprzez Modbus), w których przekaźnik GX nie jest wykorzystywany.
Uwaga: Działanie tej funkcji wymaga aktualizacji oprogramowania sprzętowego falownika/ładowarki VE.Bus do wersji 502 lub nowszej.
Czas rozgrzewania:
Czas schładzania:
Czas zatrzymania generatora:
|
18.5. Warunki automatycznego uruchamiania/zatrzymywania
W razie utraty łączności: W przypadku zerwania łączności pomiędzy EGX a falownikiem/ładowarką VE.Bus, a parametry rozruchu/zatrzymania generatora zależą od tych danych, wybierz jedno z poniższych działań:
Zatrzymaj generator, gdy dostępne jest wejście AC: przydatne w systemach rezerwowych, w których Quattro jest podłączone do sieci/zasilania na wejściu AC 1 lub AC 2, a agregat prądotwórczy jest na drugim wejściu AC. Po włączeniu agregat zatrzyma się dopiero po przywróceniu zasilania sieciowego po awarii. |
Użytkownik może zdefiniować następujące parametry w celu spowodowania automatycznego uruchomienia/zatrzymania generatora:
(*Zmierzona tutaj wartość jest całkowitym poborem prądu przemiennego przez system.)
Parametry warunku mają priorytet w kolejności wskazanej powyżej. W chwili spełnienia kilku warunków jednocześnie, tylko warunek o najwyższym priorytecie zostanie wyświetlony jako aktywny. Wszystkie zaznaczone warunki poddawane są ocenie, nawet jeśli generator już jest uruchomiony. Gdy aktywny warunek zostanie spełniony, niespełniony parametr w warunku o niższym priorytecie sprawi, że generator będzie nadal działał.
18.5.1. Zatrzymaj generator, gdy dostępne jest zasilanie na wejściu AC
Ta opcja jest idealna do systemów rezerwowych, w których Quattro ma jedno wejście prądu przemiennego podłączone do głównego źródła zasilania, a drugie wejście prądu przemiennego podłączone do generatora.
Po włączeniu tej opcji i zdefiniowaniu wejścia AC, do którego podłączona jest sieć, generator zatrzyma się, gdy tylko zasilanie z sieci elektroenergetycznej będzie ponownie dostępne po jej awarii. Proces przebiega następująco:
Najpierw odłączany jest generator.
Rozpoczyna się okres schładzania zgodnie ze skonfigurowanymi ustawieniami.
Całkowite wyłączenie generatora następuje w ciągu dodatkowych 15 sekund.
|
18.5.2. Funkcja Start/Stop uruchamiana zależnie od SoC akumulatora
Funkcja ta umożliwia sterowanie generatorem na podstawie poziomu naładowania akumulatora (SoC).
|
18.5.3. Start/Stop na podstawie napięcia akumulatora
Ta funkcja umożliwia sterowanie generatorem na podstawie napięcia akumulatora.
|
18.5.4. Start/Stop w oparciu o obciążenie AC
Wyzwalacze obciążenia AC działają podobnie do innych wyzwalaczy, ale tę funkcję można udoskonalić za pomocą ustawienia Pomiaru. Ustawienie Pomiar jest dostępne w oprogramowaniu sprzętowym w wersji 2.0 i nowszych, i ma trzy możliwe wartości:
|
18.5.5. Start/Stop w oparciu o wysoką temperaturę falownika
Funkcja umożliwia uruchomienie generatora na podstawie ostrzeżeń dotyczących temperatury falownika.
|
18.5.6. Start/Stop na podstawie przeciążenia falownika
Funkcja ta umożliwia uruchomienie generatora w odpowiedzi na ostrzeżenie o przeciążeniu falownika.
|
18.5.7. Uruchomienie/zatrzymanie stop na podstawie poziomu w zbiorniku
Ta funkcja umożliwia wyłączenie generatora na podstawie poziomu w zbiorniku, zapobiegając powstawaniu korków powietrznych, gdy zbiornik jest pusty.
|
18.5.8. Praca okresowa
Ta funkcja umożliwia automatyczne okresowe uruchamianie generatora.
|
18.5.9. Funkcja ręcznego uruchamiania
Chcąc uruchomić generator zdalnie użyj funkcji Uruchamiania ręcznego. Możesz także nacisnąć Start, gdy generator już działa - dzięki temu generator nie zatrzyma się automatycznie w chwili spełnienia warunku, który spowodował jego uruchomienie. Innymi słowy, funkcja Uruchamiania ręcznego zastąpi parametry automatycznego zatrzymania.
Sposoby ręcznego uruchamiania generatora:
OstrzeżenieW przypadku uruchomienia ręcznego (zdalnie) bez programatora czasowego wyłączenia (funkcja uruchomienia czasowego), generator będzie działał w nieskończoność, aż do ręcznego wyłączenia.
|
18.5.10. Okres ciszy
Funkcja okresu ciszy pozwala ustawić okres, w którym hałas generatora może być uciążliwy. W tym okresie generator uruchomi się tylko wtedy, gdy będzie to absolutnie konieczne, przy użyciu dostosowanych warunków automatycznego uruchamiania.
Jak włączyć funkcję Okresu ciszy
Należy pamiętać, że w przypadku ustawienia identycznej wartości czasu rozpoczęcia i zakończenia, po włączeniu tej funkcji Okres ciszy będzie obowiązywał bezterminowo. |
Korzystanie z Okresu ciszy jako narzędzia do zdefiniowania dwóch zestawów preferencji użytkownika
Funkcji Okresu ciszy można również użyć do dostosowania sposobu, w jaki system reaguje na różne warunki. Na przykład:
Wczesny poranek/niski poziom naładowania: Poziom naładowania akumulatora jest często najniższy rano. W połączeniu z pochmurną pogodą lub panelami słonecznymi o zachodnim nachyleniu (lepiej działającymi po południu), generator może automatycznie uruchomić się rano z powodu niskiego poziomu naładowania. Jednak później w ciągu dnia, wraz ze wzrostem produkcji energii słonecznej, praca generatora może stać się niepotrzebna. Ustawiając okres ciszy w tym czasie z niższymi progami automatycznego uruchamiania, można zapobiec przedwczesnemu uruchamianiu generatora i lepiej wykorzystać dostępną energię słoneczną.
Domek letniskowy: W domku letniskowym zapotrzebowanie na energię jest znacznie wyższe, gdy przebywają w nim domownicy, niż wtedy, gdy jest pusty. Funkcja okresu ciszy może okazać się pomocna poprzez zastosowanie niższych progów automatycznego uruchamiania, gdy w domu przebywają ludzie, i wyższych, gdy jest pusty.
Sposób konfiguracji:
Ustaw okres ciszy jako stały warunek (patrz powyżej), gdy w domu przebywają domownicy.
Przełącz okres ciszy na WYŁĄCZONE, gdy w domu nie ma nikogo, co umożliwi normalne zachowanie generatora.
18.6. Kontroler ComAp
18.6.1. Wstęp
Jak to działa?
Urządzenie GX komunikuje się (odczytuje/wysyła) z panelem InteliLite 4 za pośrednictwem protokołu Modbus TCP przez Ethernet, wykorzystując moduł ComAp CM3-Ethernet (wymagany) jako interfejs komunikacyjny. Konieczne jest ponowne mapowanie rejestrów Modbus za pomocą oprogramowania InteliConfig.
Przegląd wszystkich używanych rejestrów Modbus i ich wymaganych mapowań przedstawiono w załączniku: Rejestry przechowujące Modbus dla kontrolera ComAp InteliLite 4
Po dokonaniu mapowania urządzenie GX automatycznie wykrywa obecność kontrolera ComAp InteliLite 4, korzystając z ciągu identyfikacyjnego znajdującego się w rejestrze Modbus 1307. Rozpoznaje wszystkie moduły o nazwach zaczynających się od „InteliLite4-”. Ten ciąg identyfikacyjny pojawia się również na pasku tytułu okna InteliConfig.

18.6.2. Wymagania
Urządzenie GX z VenusOS v3.42 lub nowszym
Obsługiwany kontroler ComAp
Moduł CM3-Ethernet (kod zamówienia ComAp: CM3ETHERXBX)
Istnieje możliwość, że będzie również współpracować ze standardowym modułem CM-Ethernet (kod zamówienia ComAp: CM2ETHERXBX), lecz jeszcze tego nie przetestowano.
Osprzęt sieciowy Ethernet
18.6.3. Instalacja i konfiguracja
Instalacja i konfiguracja odbywa się w zaledwie kilku krokach. Wystarczy włączyć serwer Modbus w module CM3-Ethernet. Można tego dokonać z poziomu panelu sterującego lub korzystając z oprogramowania do sterownika InteliConfig, które można pobrać ze strony ComAp.
Dalsza konfiguracja modułu ComAp CM3-Ethernet nie jest konieczna.
Rejestry Modbus należy skonfigurować za pomocą oprogramowania InteliConfig zgodnie z listą rejestrów, jak opisano w sekcji Rejestry przechowujące Modbus dla kontrolera ComAp InteliLite 4.
Konfiguracja kontrolera ComAp
Poniższa procedura opisuje kroki korzystania z oprogramowania konfiguracyjnego InteliConfig. Sprawdź, czy masz najnowszą wersję i masz łączność ze sterownikiem:
Dopilnuj, by format Jednostek/Zasilania był poprawny:
Wybierz kartę Konfiguracja sterownika
Wybierz opcję Inne
Wybierz format Jednostek/Mocy
Sprawdź, czy Jednostki ustawione są na „Metryczne - 20 °C, 10,0 bar, 11,4 l/h”, a Format mocy ustawiony na „Standardowy 1 kW/kVA/kVAr 1 V”.

Wybierz czujniki
Wybierz „VDO 10 Bar” i sprawdź, czy rozdzielczość jest ustawiona na „0,1”, a przyciemnienie jest ustawione na „Bar”

Teraz wybierz „VDOLevel %” i sprawdź, czy rozdzielczość jest ustawiona na „1”, a przyciemnienie jest ustawione na „%”

Ponowne mapowanie rejestrów Modbus:
W tym samym oknie wybierz MODBUS
Pobierz plik mapowania Modbus dla Victron Energy: Mapowanie ComAp InteliLite GX
U dołu, w sekcji Import/Eksport, kliknij ikonę Importuj po prawej stronie
Wybierz pobrany plik mapowania i kliknij OK
W prawym dolnym rogu kliknij przycisk Zapisz, aby zapisać konfigurację w kontrolerze
Plik UMOD mapowania ComAp Modbus zawiera niezbędne mapowania rejestrów Modbus wymagane przez urządzenie GX. Czytelny dla człowieka format mapowania znajduje się również w załączniku: Rejestry przechowujące Modbus dla kontrolera ComAp InteliLite 4.


Włączanie serwera Modbus kontrolera
Wybierz kartę Setpoint
W następnym menu wybierz moduł CM-Ethernet
Włącz serwer Modbus

Konfiguracja urządzenia GX
Po podłączeniu urządzenia GX i sterownika agregatu prądotwórczego do tej samej sieci sterownik automatycznie pojawi się na liście urządzeń. Na ilustracji przedstawiono przykład sterownika generatora DSE. Jeśli się nie pojawi, sprawdź ustawienia Modbus na urządzeniu GX, przechodząc do Ustawienia → Integracje → Urządzenia Modbus. Sprawdź, czy włączona jest funkcja automatycznego skanowania (jest to ustawienie domyślne) lub ręcznie przeskanuj urządzenie; powinno zostać wykryte i wyświetlone w podmenu Wykryte urządzenia. Celem zapewnienia niezawodnego działania włącz automatyczne skanowanie, dzięki czemu sieć będzie skanowana co dziesięć minut. Jeśli adres IP ulegnie zmianie, urządzenie zostanie wykryte ponownie. Jednak zaleca się przypisanie sterownikowi statycznego adresu IP, aby uniknąć nieoczekiwanej utraty łączności. |
18.7. Kontroler CRE Technology
18.7.1. Wstęp
Jak to działa?
Urządzenie GX komunikuje się ze sterownikiem CRE, odczytując i wysyłając dane zgodnie ze specyfikacją Modbus TCP sterownika, korzystając z łączności Ethernet sterownika CRE.
Wykorzystując wartości identyfikacyjne pobrane za pośrednictwem Modbus, urządzenie GX automatycznie wykrywa obecność sterownika.
18.7.2. Wymagania
Urządzenie GX z VenusOS v3.50 lub nowszym
Obsługiwany sterownik CRE z wersją oprogramowania układowego v2.0 lub nowszą
Osprzęt sieciowy Ethernet
18.7.3. Instalacja i konfiguracja
Wymagania wstępne
Sterownik CRE umożliwia zmianę jednostek ciśnienia i temperatury; jednak urządzenie GX oczekuje, że ciśnienie oleju będzie skonfigurowane w barach, a temperatura w °C. Sprawdź poprawność ustawień jednostek miary.
Konfiguracja urządzenia GX
Po podłączeniu urządzenia GX i sterownika agregatu prądotwórczego do tej samej sieci sterownik automatycznie pojawi się na liście urządzeń. Na ilustracji przedstawiono przykład sterownika generatora DSE. Jeśli się nie pojawi, sprawdź ustawienia Modbus na urządzeniu GX, przechodząc do Ustawienia → Integracje → Urządzenia Modbus. Sprawdź, czy włączona jest funkcja automatycznego skanowania (jest to ustawienie domyślne) lub ręcznie przeskanuj urządzenie; powinno zostać wykryte i wyświetlone w podmenu Wykryte urządzenia. Celem zapewnienia niezawodnego działania włącz automatyczne skanowanie, dzięki czemu sieć będzie skanowana co dziesięć minut. Jeśli adres IP ulegnie zmianie, urządzenie zostanie wykryte ponownie. Jednak zaleca się przypisanie sterownikowi statycznego adresu IP, aby uniknąć nieoczekiwanej utraty łączności. |
18.8. Obsługa sterownika generatora DSE- Deep Sea
18.8.1. Wstęp
Integrując sterownik agregatu prądotwórczego Deep Sea Electronics (DSE) z urządzeniem GX możliwy jest odczyt danych prądu przemiennego, ciśnienia oleju, temperatury płynu chłodzącego, poziomu zbiornika, liczby uruchomień silnika i dokonanie innych odczytów stanu. Ponadto obsługuje cyfrową sygnalizację start/stop z urządzenia GX.
Jak to działa?
Urządzenie GX komunikuje się ze sterownikiem Deep Sea Electronics (DSE) poprzez odczyt i wysyłanie danych za pośrednictwem specyfikacji Modbus DSE „GenComm”. Komunikacja ta odbywa się albo poprzez połączenie Ethernet samego sterownika DSE, albo, w przypadku sterowników bez interfejsu Ethernet, poprzez urządzenie komunikacyjne Deep Sea Electronics DSE855 USB-Ethernet lub inną zgodną bramkę DSE z obsługą Ethernetu, która obsługuje Modbus TCP.
Używając wartości identyfikacyjnych uzyskanych za pośrednictwem Modbus, urządzenie GX automatycznie wykrywa obecność sterownika.
18.8.2. Wymagania
Urządzenie GX z VenusOS v3.12 lub nowszym
Obsługiwany sterownik DSE
W przypadku modeli, które oferują tylko łączność USB (patrz tabela w Sposób integracji), wymagany jest Deep Sea Electronics DSE855 (lub podobne urządzenie).
Osprzęt sieciowy Ethernet
Przypadek specjalny: DSE 4520 MKII (Venus OS v3.50 lub nowsza)
W przeciwieństwie do wszystkich innych obsługiwanych sterowników DSE, DSE 4520 MKII nie akceptuje poleceń sterujących za pośrednictwem komunikacji cyfrowej. W związku z tym należy skorzystać z przewodowego sygnału sterującego z użyciem funkcji „Podłączony pomocniczy przekaźnik agregatu prądotwórczego”. Więcej informacji podano w następnym rozdziale.
18.8.3. Instalacja i konfiguracja
Konfiguracja urządzenia GX
Po podłączeniu urządzenia GX i sterownika agregatu prądotwórczego do tej samej sieci sterownik automatycznie pojawi się na liście urządzeń. Jeśli się nie pojawi, sprawdź ustawienia Modbus na urządzeniu GX, przechodząc do Ustawienia → Integracje → Urządzenia Modbus. Sprawdź, czy włączona jest funkcja automatycznego skanowania (jest to ustawienie domyślne) lub ręcznie przeskanuj urządzenie; powinno ono zostać wykryte i wyświetlone w podmenu Wykryte urządzenia. Celem zapewnienia niezawodnego działania włącz automatyczne skanowanie, dzięki czemu sieć będzie skanowana co dziesięć minut. Jeśli adres IP ulegnie zmianie, urządzenie zostanie wykryte ponownie. Zaleca się jednak przypisanie kontrolerowi statycznego adresu IP, aby zapobiec nieoczekiwanej utracie łączności. |
Połączony pomocniczy przekaźnik agregatu prądotwórczego
Przekaźnik 1 w urządzeniu GX można skonfigurować jako Pomocniczy przekaźnik podłączonego agregatu prądotwórczego.
To ustawienie umożliwia przekaźnikowi 1 działanie równolegle z cyfrowymi poleceniami sterującymi podłączonego urządzenia DSE 4520 MKII. Przekaźnik 1 pozostaje otwarty, gdy agregat prądotwórczy jest wyłączony, i zamyka się niezwłocznie po wydaniu polecenia uruchomienia.
Ta funkcja jest przydatna do:
Instrukcje dotyczące okablowania podano w Sygnał start/stop sterowany przekaźnikiem |
18.9. Sterownik DEIF
18.9.1. Wstęp
Jak to działa?
Urządzenie GX odczytuje i wysyła dane do kontrolera DEIF za pośrednictwem specyfikacji Modbus kontrolera, korzystając z połączenia Ethernet lub portu RS485 1 kontrolera DEIF. Wykorzystując wartości identyfikacyjne znalezione za pośrednictwem Modbus, urządzenie GX automatycznie wykrywa obecność kontrolera.
18.9.2. Wymagania
Urządzenie GX z Venus OS v3.50 lub nowszym
Obsługiwany kontroler DEIF AGC 150 z wersją oprogramowania układowego 1.19.0 (od maja 2024 r.) lub nowszą
Do integracji za pośrednictwem Ethernetu: Osprzęt sieciowy Ethernet
Do integracji za pośrednictwem RS485: Victron Energy RS485 do USB (numer katalogowy ASS030572050 lub ASS030572018)
18.9.3. Instalacja i konfiguracja
Ustawianie prawidłowego parametru skalowania Obecnie obsługiwana jest tylko domyślna wartość parametru „Skalowanie” kontrolera (kanał 9030, wartość od 100 do 25000 V). Przed podłączeniem należy sprawdzić prawidłowość ustawień. Ustawienie jest dostępne na wyświetlaczu kontrolera w Parametr → Ustawienia podstawowe → Ustawienia pomiaru → Skalowanie → Skalowanie. Chcąc dokonać zmian wprowadź hasło główne (domyślne: 2002) i ustaw je na domyślny zakres od 100 do 25000 V. | ![]() |
W przypadku połączenia Ethernet Celem podłączenia go do tej samej sieci Ethernet, co urządzenie GX, użyj portu Ethernet kontrolera DEIF. |
W przypadku połączenia RS485 Seria kontrolerów DEIF AGC 150 ma dwa porty RS485, z których port 1 jest galwanicznie izolowany. Izolacja galwaniczna zapobiega tzw. pętlom uziemienia, które mogą prowadzić do uszkodzenia urządzeń z powodu niepożądanych prądów. Dlatego należy użyć portu 1, jak wyjaśniono w tabeli. Po podłączeniu kontrolera do urządzenia GX użyj wyświetlacza kontrolera i przejdź do Parametry → Komunikacja → RS485 → RS485 1 → Parametry, wprowadź hasło główne (domyślnie „2002”) i ustaw parametry w następujący sposób:
|
| |||||||||||||||||||||
![]() |
Konfiguracja urządzenia GX Po połączeniu urządzenia GX i sterownika agregatu prądotwórczego automatycznie pojawi się ono na liście urządzeń. Jeśli korzystasz z Ethernet, a nazwa urządzenia nie pojawi się na liście, sprawdź ustawienia Modbus na urządzeniu GX, Ustawienia → Integracje → Urządzenia Modbus. Sprawdź, czy włączona jest funkcja automatycznego skanowania (ustawienie domyślne) lub przeskanuj je; urządzenie powinno zostać automatycznie wykryte i pojawić się w podmenu Wykryte urządzenia. Funkcja automatycznego skanowania musi pozostać włączona, co zapewni niezawodne działanie układu. Sieć jest skanowana co dziesięć minut. Jeśli adres IP ulegnie zmianie, urządzenie zostanie ponownie wykryte. Zaleca się jednak przypisanie kontrolerowi statycznego adresu IP, aby zapobiec nieoczekiwanej utracie łączności. |
18.10. Obsługa generatora Fischer Panda
18.10.1. Wstęp
Urządzenie GX odczytuje i wysyła dane do generatora Fischer Panda za pośrednictwem połączenia VE.Can, używając modułu Fischer Panda SAE J1939 (wymagany). Obsługiwane są zarówno generatory AC, jak i DC.
18.10.2. Wymagania
Urządzenie GX z oprogramowaniem układowym w wersji 2.07 lub nowszej
Generator Fischer Panda, xControl, iGenerator lub fpControl GC
Moduł Fischer Panda SAE J1939 CAN (numer katalogowy 0006107)
Adapter Fischer Panda FP-Bus do VE.Can (numer katalogowy 0023441)
Opcjonalny: FP-CAN do NMEA 2000 (nr katalogowy FP 0031409)
Wymagania dotyczące oprogramowania układowego Fischer Panda:
iControl (dla iGeneratora): v2.17 lub nowsza
Panel iControl: brak wymagań minimalnych
xControl (dla generatorów stałoobrotowych): 4V38 lub nowsza
Panel xControl: 4V29
fpControl (dla generatorów prądu przemiennego i stałego): dowolna wersja
Panel fpControl: 4V29 lub nowszy
Moduł Fischer Panda SAE J1939 CAN: 2V05 lub nowszy
Moduł trójfazowy Fischer Panda: 4V0b lub nowszy
Interfejs Fischer Panda NMEA 2000: 2V11 lub nowszy
18.10.3. Instalacja i konfiguracja
Sposób podłączenia generatora Fischer Panda xControl
Na poniższym schemacie przedstawiono sposób podłączenia generatora Fischer Panda xControl.
![]() |
Sposób podłączenia generatora Fischer Panda iControl
Na poniższym schemacie przedstawiono sposób podłączenia generatora Fischer Panda iControl.
![]() |
Sposób podłączenia generatora Fischer Panda fpControl
Na poniższym schemacie przedstawiono sposób podłączenia generatora Fischer Panda fpControl.
![]() |
18.10.4. Konfiguracja i monitorowanie urządzeń GX
Ważne
Ważne: Działanie generatora jest możliwe i dozwolone wyłącznie po włączeniu panelu xControl, fpControl lub iControl.
Sprawdź, czy w Ustawieniach → Łączność wybrany profil magistrali CAN-bus to „VE.Can i Lynx Ion BMS (250 kbit/s)”. Jest to ustawienie domyślne i obsługuje NMEA 2000. |
Po zakończeniu okablowania i prawidłowym przeprowadzeniu konfiguracji generator Fischer Panda pojawi się na liście urządzeń: |
Wejście do menu urządzenia Fischer Panda powoduje wyświetlenie takiej strony: Widoczny jest na niej włącznik/wyłącznik, a także informacje o stanie i głównych parametrach prądu przemiennego: napięcie, prąd i moc. |
Temperatura silnika, obroty i dodatkowe informacje są dostępne po wejściu do podmenu Silnik. |
18.10.5. Konserwacja
Przed przystąpieniem do jakichkolwiek czynności konserwacyjnych związanych z generatorem należy go zawsze wyłączyć za pomocą panelu sterowania Fischer Panda. Wyłącza to funkcję automatycznego uruchomienia, uniemożliwiając zdalne uruchomienie generatora, np. za pomocą Cerbo GX.
Po zakończeniu obsługi konserwacyjnej ponownie włącz funkcję automatycznego uruchomienia za pomocą panelu sterowania Fischer Panda w menu Generator → Autostart → Włącz/wyłącz.
18.11. Generator prądu stałego Hatz fiPMG
18.11.1. Wstęp
Jak to działa?
Generator prądu stałego Hatz fiPMG to zintegrowany z kołem zamachowym generator z magnesami trwałymi (PMG), który dostosowuje się do różnych poziomów obciążenia zmieniając prędkość obrotową. Jest napędzany silnikiem wysokoprężnym Hatz E1 z elektronicznie sterowanym wtryskiem paliwa.
Jednostka zasilająca zapewnia regulowane napięcia wyjściowe dla systemów 28 V lub 56 V oraz komunikację między PSU – ECU – urządzeniem Victron GX zgodnie z SAE J1939.
Podwójny falownik CAN wyposażony jest w dwa oddzielne porty CAN:
Port CAN 1: Obsługuje komunikację między PSU (falownikiem) a ECU silnika.
Port CAN 2: Zarządza komunikacją między PSU a urządzeniem GX.
Więcej informacji podano na stronie www.hatz.com, gdzie można uzyskać dostęp do wszystkich schematów elektrycznych i dodatkowych informacji na temat urządzenia.
18.11.2. Wymagania
Urządzenie GX z oprogramowaniem układowym Venus OS v3.50 lub nowszym
Generator Hatz fiPMG z podwójnym PSU CAN (falownik) do wyjścia DC 28 V lub 56 V
Kabel VE-CAN do HATZ-CAN (do nabycia w HATZ)
18.11.3. Instalacja i konfiguracja
Podłączenie generatora Hatz fiPMG
Na poniższym schemacie przedstawiono sposób podłączenia generatora Hatz fiPMG DC do urządzenia GX.

Konfiguracja urządzenia GX
Sprawdź, czy w Ustawieniach → Usługi wybrany profil magistrali CAN to „VE.Can & Lynx Ion BMS (250 kbit/s)”. Jest to ustawienie domyślne i obsługuje NMEA 2000. Po podłączeniu urządzenia GX i sterownika generatora automatycznie pojawi się ono na liście urządzeń. |
18.11.4. Konserwacja
Instrukcje dotyczące konserwacji podano w instrukcji obsługi fiPMG.
18.11.5. Wykrywanie i usuwanie usterek
Lista kodów błędów PSU: Patrz www.hatz.com (Protokół CAN seria E)
Lista kodów błędów ECU: Patrz www.hatz.com (Kody błędów diagnostycznych serii E)
18.12. Stan generatora i godziny pracy za pośrednictwem wejścia cyfrowego
Celem uzyskania dokładniejszych informacji na temat stanu silnika i skumulowanych godzin pracy na urządzeniu GX można użyć dodatkowego przewodu sygnałowego z suchym stykiem.
Istnieją dwie opcje okablowania:
Użycie wyjścia bezpotencjałowego na sterowniku agregatu prądotwórczego (jeśli jest obsługiwane) w celu raportowania stanu silnika.
Użycie pomocniczego przekaźnika AC na linii AC generatora, który zamyka styk bezpotencjałowy, gdy tylko agregat prądotwórczy zacznie dostarczać energię.
Chcąc włączyć tę funkcję przejdź do Ustawienia → Integracje → Cyfrowe wejścia/wyjścia i skonfiguruj odpowiednie wejście jako „Generator”. Po skonfigurowaniu stan generatora będzie widoczny na liście urządzeń, a całkowity czas pracy zostanie określony na podstawie stanu tego wejścia cyfrowego. |
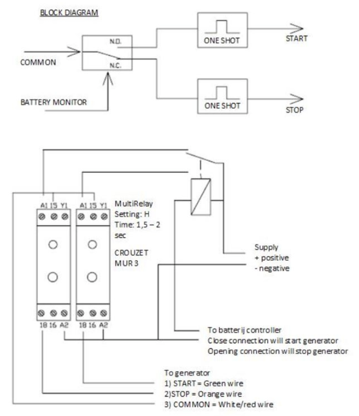
18.13. Podłączanie generatora za pomocą interfejsu trzyprzewodowego
Aby uruchomić generator za pomocą interfejsu trzyprzewodowego, styk otwarty/zamknięty musi zostać przekształcony na oddzielne impulsy startu i zatrzymania. Poniższe rozwiązanie, wykorzystujące standardowe przekaźniki czasowe, osiąga to poprzez:
Generowanie impulsu uruchomienia, gdy styk otwarty/zamknięty się zamyka.
Generowanie impulsu zatrzymania, gdy styk otwarty/zamknięty się otwiera.
Ważne: Z tego sposobu należy skorzystać wyłącznie w przypadku generatorów, które mają własny panel sterowania do monitorowania i automatycznego zatrzymywania w przypadku pojawienia się problemów, np. niskiego ciśnienia oleju. Nie podłączaj go bezpośrednio do rozrusznika ani elektromagnesu paliwa.
![]() |






